- Чертеж теплообменника. Типовые конструкции типа труба в трубе
- Теплообменник «труба в трубе» ТТОР 159/219-4,0/4,0
- Конструкция двухтрубного теплообменника с противотоком или параллельным потоком
- Трубчатые теплообменники | Двухтрубные теплообменники
- Теплообменники типа «труба в трубе» Характеристики
- Типы трубчатых теплообменников
- S-TF20-I Трубчатый теплообменник
- S-TF20-D Теплообменник «труба в трубе»
- P-TF20-I Теплообменник «труба в трубе»
- I-TF20-I Теплообменники «труба в трубе»
- Техническая документация на теплообменники
- Новые математические модели для теплообменников
- Петли очищенной воды (PW) и воды для инъекций (WFI)
- Важность реологии при проектировании пищевых предприятий
Чертеж теплообменника. Типовые конструкции типа труба в трубе
Чертеж теплообменника. Типовые конструкции, краткое описание.
Аппараты классифицируют по способу теплообмена:
-поверхностные;
-смешения.
Производительность аппарата – количество тепла, которое передается за единицу времени через единицу площади поверхности теплообмена при расчетном режиме.
Типовые конструкции:
-кожухотрубчатые;
-элементные;
-двухтрубные;
-витые;
-погружные;
-оросительные;
-ребристые;
-пластинчатые;
-спиральные;
-графитовые;
-воздушные;
-смешения.
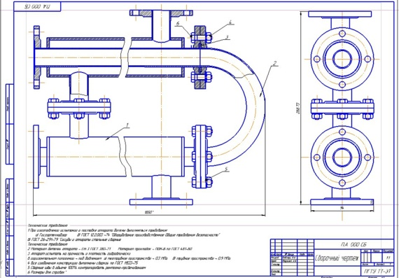
Описание каждой из конструкций, займет не мало времени. Подробное описание интересующего аппарата можно найти используя любой источник информации. Остановимся на одном из предложенных вариантов. На рисунке схематично показана двухтрубная конструкция
Устройство и деталировка аппарата:
-двух соосных труб;
-колен (калачей).
Подбором диаметров заготовок, их длин и количеством секций рассчитывается необходимый теплообмен.
Преимущества конструкции:
-высокий коэффициент передачи тепловой энергии;
-нагрев или охлаждение рабочей среды;
-простота конструкции при ее изготовлении;
-быстрый монтаж и простота при обслуживании.
Недостатки в конструкции:
-громоздкость;
-высокая стоимость материала;
-сложность очистки.
На примере, рассмотрим использование аппарата для пищевой промышленности, в технологическом процессе необходимо охлаждать подготовленную воду до определенной температуры. Данное устройство, обеспечивает обмен тепловой энергии между двумя теплоносителями (по внутреннему контуру поступает подготовленная вода, по внешнему контуру поступает из холодильника охлажденный «рассол», то есть происходит передача тепловой энергии от холодного «рассола» к теплой подготовленной воде). Данное оборудование широко применяется для различных производственных процессах во многих областях машиностроения.
Аппараты изготавливаются, как правило, из пищевой нержавеющей стали, разрешенной к использованию согласно ТНПА.
При соприкосновении разных температурных сред, через металлическую стенку трубы, происходит теплообмен. Охлаждающая жидкость может опускаться до минусовой температуры. Чем ниже ее температура, тем быстрей охлаждается продукт.
Аналогичным образом можно нагреть продукт, если во внешний контур аппарата подать горячий пар. Промышленный пар с температурой до двухсот градусов производится электрическим парогенератором или паровым котлом, работающем на любом виде топлива (газ, мазут, дерево, уголь, торф). Предложенная типовая конструкция может использоваться как охладитель и как пастеризатор готового продукта.
Зависимость производительности конструкции, связана с разными типами геометрических размеров (диаметр внутренний, диаметр наружный, длина). Как правило, технические характеристики изделия указываются в паспортах на это изделие.

Конструктивно предлагаю чертеж одного из вариантов исполнения.
Для максимального сохранения тепла, внешний контур аппарата закрывают слоем теплоизоляционного материала.
Заказать чертеж
Поделитесь с друзьями!
Теплообменник «труба в трубе» ТТОР 159/219-4,0/4,0
Главная / Магазин
- Описание
Теплообменник «труба в трубе» ТТОР 159/219 — 4,0/4,0 МПа – аппарат для нагрева и охлаждения продуктов производства. Используется в нефтегазовой, химической, пищевой промышленности. В частности теплообменный аппарат труба в трубе применяется в процессе производства вина и молочных продуктов. Конструкция рассчитана для эксплуатации в условиях до 7 баллов сейсмической активности.
ТЕХНИЧЕСКИЕ ХАРАКТЕРИСТИКИ ТТОР
| Обозначение | Ду, мм теплообм. труб | Масса (кг), при длине теплообменных труб: | ||
|---|---|---|---|---|
| 4500 | 6000 | 9000 | ||
| ТТОР 159/219 -1,6/1,6 | 159 | 2600 | 3250 | |
| ТТОР 159/219 — 4,0/1,6 | 2940 | 3550 | ||
| ТТОР 159/219 — 4,0/4,0 | 3470 | 4300 | ||
УСТРОЙСТВО И ВИДЫ
Отличительная особенность теплообменника ТТОР 108/159 — 1,6/1,6; 4,0/1,6; 4,0/4,0; МПа – два вида вещества изолированы друг от друга, одно из которых нагревается, другое – охлаждается.
Конструкции теплообменных аппаратов делятся на три вида:
- Простой тип VLO – внутри основной трубы проходит одна поменьше.
- Тип VLM – в одной трубе несколько маленьких.
- Специальный тип VLA – для продуктов особой вязкости.
По способу передачи тепла теплообменники делятся на:
- поверхностные – обмен тепловой энергией происходит через разделительную стенку между двумя резервуарами;
- регенеративные – чередование этапов нагрева и охлаждения;
- смесительные – теплообмен осуществляется путем смешивания двух веществ.
Самый распространенный тип теплообменников — кожухотрубный. Труба заключена в кожух для более высокой теплоотдачи. Наиболее эффективен на крупных производственных предприятиях, предусмотрен для работы в условиях перепадов давления.
Кожухотрубчатые теплообменные аппараты используются на заводах различных типов производства. Популярны за счет простоты конструкции, доступности материалов и эффективности в работе.
Классифицируют кожухотрубчатые и кожухотрубные теплообменные аппараты по функциональным особенностям:
- универсальные теплообменники;
- испарители;
- конденсаторы;
- холодильники.
поделиться
Назад
Конструкция двухтрубного теплообменника с противотоком или параллельным потоком
Введение
В конструкции двухтрубного теплообменника важным фактором является тип схемы потока в теплообменнике. Двухтрубный теплообменник обычно представляет собой либо противоточный, либо параллельный поток. Перекрестный поток просто не работает для двухтрубного теплообменника. Схема потока и требуемая мощность теплообмена позволяют рассчитать среднелогарифмическую разность температур.
Вместе с предполагаемым общим коэффициентом теплопередачи это позволяет рассчитать требуемую площадь поверхности теплопередачи. Затем можно определить размеры труб, длину труб и количество изгибов.
Общая конфигурация и характеристики теплообменника с двойной трубой
Теплообменник с двойной трубой в своей простейшей форме представляет собой одну трубу внутри другой трубы большего размера. Одна жидкость течет по внутренней трубе, а другая проходит через кольцевое пространство между двумя трубами. Стенка внутренней трубы является поверхностью теплообмена. Трубы обычно скручиваются несколько раз, как показано на схеме слева, чтобы сделать устройство в целом более компактным.
Термин «шпильчатый теплообменник» также используется для теплообменника конфигурации, показанной на схеме. Теплообменник со шпилькой может иметь только одну внутреннюю трубу или несколько внутренних труб, но он всегда будет иметь функцию удвоения. . Некоторые производители теплообменников рекламируют наличие оребренных трубок в шпильках или теплообменниках с двойной трубой.
Это всегда будут продольные ребра, а не более распространенные радиальные ребра, используемые в теплообменниках с ребристыми трубами с поперечным потоком.
Противоток и параллельный поток в двухтрубном теплообменнике
Основное преимущество спирального или двухтрубного теплообменника заключается в том, что он может работать в действительно противоточном режиме, что является наиболее эффективным режимом потока. То есть это даст самый высокий общий коэффициент теплопередачи для конструкции двухтрубного теплообменника.
Кроме того, спиральные и двухтрубные теплообменники хорошо выдерживают высокие давления и температуры. Когда они работают в истинном противотоке, они могут работать с перепадом температур, то есть там, где температура на выходе с холодной стороны выше, чем температура на выходе с горячей стороны.
Например, на схемах в этом разделе жидкость 1 считается горячей жидкостью, а жидкость 2 — холодной жидкостью. Затем на диаграмме противотока слева видно, что температура на выходе из холодной стороны, T2out, может приближаться к температуре на входе в горячую сторону, T1in, которая выше, чем температура на выходе из горячей стороны, T2out.
Для параллельного потока, показанного справа, T2out может приближаться только к T1out; это не может быть больше.
Определение площади поверхности теплопередачи, необходимой для двухтрубного теплообменника, можно выполнить с помощью основного уравнения теплообменника: Q = UA ΔTlm, где:
Q — скорость теплопередачи между двумя жидкостями в теплообменнике в БТЕ/ч,
U — общий коэффициент теплопередачи в БТЕ/ч-фут2-oF,
A — площадь поверхности теплопередачи в ft2, а
ΔTlm — среднелогарифмическая разность температур в oF, рассчитанная по температуре на входе и выходе обеих жидкостей.
Эти параметры в базовом уравнении теплообменника обсуждаются в разделе «Основы проектирования теплообменника» и используются в примере «Предварительный пример проектирования теплообменника». После определения требуемой площади поверхности теплопередачи можно выбрать диаметр и длину внутренней трубы, а затем диаметр внешней трубы. Наконец, можно выбрать длину прямых участков и количество изгибов.
Изображение предоставлено
Двухтрубный теплообменник. Изображение: https://doublepipeheatexchanger.com/
Об авторе
Доктор Харлан Бенгтсон является зарегистрированным профессиональным инженером с 30-летним опытом преподавания в университете инженерных наук и гражданского строительства. Он имеет докторскую степень в области химического машиностроения.
1. Особенности и характеристики спирального теплообменника. Спиральный теплообменник, один из типов промышленных теплообменников, использует два концентрических спиральных канала, один для горячей жидкости, а другой для холодной жидкости. Это придает ему цилиндрическую общую форму, делает его компактным теплообменником и обеспечивает высокий общий коэффициент теплопередачи.
2. Особенности и характеристики пластинчатого теплообменника. В пластинчато-рамном теплообменнике между двумя жидкостями используется металлическая пластина теплообменника. Это дает ему более высокий общий коэффициент теплопередачи, чем наиболее широко используемый промышленный теплообменник, кожухотрубный теплообменник.
Пластинчатый теплообменник разбирается для удобства очистки.
3. Типы кожухотрубчатых теплообменников. Кожухотрубчатые теплообменники являются наиболее широко используемым типом промышленных теплообменников. Стенка трубы теплообменника является поверхностью теплообмена. Он может иметь конфигурацию U-образного теплообменника или теплообменника с прямой трубой. Жидкость со стороны трубы может иметь один, два или четыре прохода.
Трубчатые теплообменники | Двухтрубные теплообменники
производства SACOME | 26 сентября 2019 г. | Новости
Теплообменники типа «труба в трубе» Характеристики
Теплообменник типа «труба в трубе» (также известный как двухтрубный теплообменник ) состоит из теплообменника с двумя концентрическими трубами. Продукт проходит через внутреннюю трубу, а сервис – через пространство между двумя трубами.
Теплообменники типа «труба в трубе» или теплообменники с двойной трубкой
0059 специально разработан для нагрева или охлаждения продуктов с низкой-средней вязкостью .
Большим преимуществом теплообменников типа «труба в трубе» является возможность перерабатывать продукты с волокнами или частицами без риска засорения .Теплообменник типа «труба в трубе» может обеспечить чистый противоточный поток, что позволяет достичь пересечения температур, так что холодная жидкость может быть нагрета выше температуры горячей жидкости на выходе.
Использование фланцевых соединений позволяет разбирать эти трубчатые теплообменники для облегчения задач по очистке и техническому обслуживанию .
Типы трубчатых теплообменников
SACOME , как производитель трубчатых теплообменников с 1978 года, предлагает своим клиентам широкий ассортимент трубчатых теплообменников , выполняющих как тепловой расчет и механический расчет наших теплообменников , а также изготовление на заказ
S-TF20-I Трубчатый теплообменник
Санитарный трубный теплообменник с несъемной внутренней трубой .
Санитарный двухтрубный теплообменник S-TF20-I предназначен для процессов нагрева (пастеризация, стерилизация, ультрапастеризация и т.д.) или охлаждения продуктов с низкой-средней вязкостью . Перерабатываемые продукты могут содержать волокна или крупные частицы. Теплообменник «труба в трубе» предназначен для таких продуктов, как мясной фарш, соки или йогурт с кусочками, рыбные субпродукты и кремы, среди прочего. 9Трубчатый теплообменник 0059 S-TF20-I входит в нашу санитарную линию .
S-TF20-D Теплообменник «труба в трубе»
Санитарно-гигиенический теплообменник «труба в трубе» компактной конструкции со съемной внутренней трубой . Двухтрубный теплообменник S-TF20-D предназначен для процессов нагрева (таких как пастеризация, стерилизация, ультрапастеризация и т. д.) или охлаждения продуктов с низкой-средней вязкостью . Продукты могут содержать волокна или крупные частицы.
Санитарный теплообменник S-TF20-I предназначен для таких продуктов, как мясной фарш, соки или йогурт с кусочками, рыбные субпродукты и кремы, среди прочего. 9Трубчатый теплообменник 0059 S-TF20-D входит в нашу санитарную линию .
P-TF20-I Теплообменник «труба в трубе»
Фармацевтический теплообменник «труба в трубе» с несъемной внутренней трубой . Фармацевтический двухтрубный теплообменник P-TF20-I предназначен для нагрева или охлаждения воды для инъекций (WFI), очищенной воды (PW), дистиллированной воды , продуктов биотехнологии или фармацевтической промышленности , таких как глюкоза, эмульсии, лосьоны и косметика, среди прочего. Теплообменник «труба в трубе» P-TF20-I является частью нашей фармацевтической линии .
I-TF20-I Теплообменники «труба в трубе»
Промышленный теплообменник «труба в трубе» с несъемной внутренней трубой .
Трубчатый теплообменник I-TF20-I предназначен для нагрева или охлаждения таких продуктов, как масла, сточные воды, сточные воды, шлам и шлам, среди прочего. Трубчатый теплообменник I-TF20-I является частью нашей Промышленная линия .
Техническая документация на теплообменники
Новые математические модели для теплообменников
Техническая документация по теплообменникам
Наше исследование «Новые математические модели, применяемые к теплообменникам» было признано «Проектом исследований и разработок».
Петли очищенной воды (PW) и воды для инъекций (WFI)
Теплообменники Техническая документация
Теплообменники для контуров очищенной воды (PW) и воды для инъекций (WFI) в фармацевтической и биотехнологической промышленности.
Важность реологии при проектировании пищевых предприятий
Теплообменники Техническая документация
Важность реологии при проектировании любой перерабатывающей установки имеет решающее значение, поскольку размеры многих составляющих ее элементов очень зависят от этого «сопротивления», что также имеет особое значение для пищевых продуктов: теплообменники, трубы, вентили, насосы, смесители и т.
